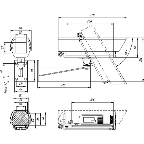
Термокожух (210х73х66) с обогревателем, солнцезащитным козырьком и настенным кронштейном, автоматическое включение и выключение нагревателя при помощи биметаллического термореле, расположение центра выделения тепла в непосредственной близости к смотровому стеклу, гальваническая трансформаторная развязка по питанию, встроенный источник питания телекамеры, от -25..+40°С, IP66, ~220В (AC), =12В (DC) или ~24 (AC).
Термокожух Wizebox Fresh 260S с встроенным источником питания камеры
- Производитель: Wizebox
- Модель: Fresh 260S с встроенным источником питания камеры
- Наличие: Есть в наличии
-
0р.


