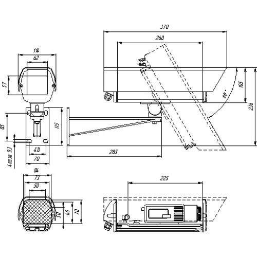
Термокожух (225х73х66) с обогревателем, солнцезащитным козырьком и настенным кронштейном; автоматическое включение и выключение нагревателя при помощи биметаллического термореле, расположение центра выделения тепла в непосредственной близости к смотровому стеклу, от -25..+40 °С, IP66, ~12В (AC), ~12В (AC).
Термокожух Wizebox Fresh 260-12V для настенного крепления
- Производитель: Wizebox
- Модель: Fresh 260-12V для настенного крепления
- Наличие: Есть в наличии
-
0р.


